Master Distributor of Parts:
TCC Kitchen CenterNuToneBroan
Toll Free Number 866.368.8663
Low Freight Cost $7, $8, or $8

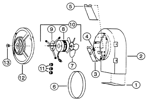
NuTone 8510 Utility Fan Parts

Listed below are the parts available for this model.

Use the parts explosion image to locate the associated part key number. When you hold your mouse over the parts explosion picture, it should zoom it for a closer look. Once you have found the parts that you need, select the matching part key from the list below. Then add the desired item to your shopping cart by clicking "Add to Cart."

If parts are not listed, they are no longer available

NuTone 8510 Utility Fan Parts
NuTone 8510 Utility Fan Parts breakout large
ImagePart KeyPart NumberDescriptionUnit PriceDesired Quantity
  S99260425 Motor Mounting Nut (2 Required & Sold Individually) $2.40
  S99010046 Filter - 11 1/2" Diameter Aluminum, Round With Hole In The Center $27.26
4 S99270982 Receptacle (Black) $29.50
8 26735SER Motor Modified- CCW, Shaft Size 1 3/8" w/5/16 diam", 2 Prong 110 Plug $114.24
7 14400000 Fan Blade Metal $31.50