Master Distributor of Parts:
TCC Kitchen CenterNuToneBroan
Toll Free Number 866.368.8663
Low Freight Cost $7, $8, or $8

NuTone 687 Utility Fan Parts

Listed below are the parts available for this model.

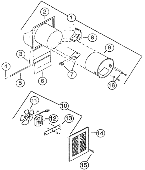
Use the parts explosion image to locate the associated part key number. When you hold your mouse over the parts explosion picture, it should zoom it for a closer look. Once you have found the parts that you need, select the matching part key from the list below. Then add the desired item to your shopping cart by clicking "Add to Cart."

If parts are not listed, they are no longer available

NuTone 687 Utility Fan Parts
NuTone 687 Utility Fan Parts breakout large
ImagePart KeyPart NumberDescriptionUnit PriceDesired Quantity
  S99260425 Motor Mounting Nut (2 Required & Sold Individually) $2.40
12 S1200A000 Motor w Plug/ 5- Blade Plastic 6.5 dim (replaced older motor/metal blade) $109.04
13 S15589000 Motor Bracket
This product has been discontinued
 
14 S13178018 Grille Metal White - (10 1/2" X 10 1/2" X 1/2" W/ Center Hole) $57.34
15 21988001 Grille Screw - Aluminum 1/4-20X1 3/16 $2.16
10 S1315A000 Motor, Blade, Bracket Assy $143.82
  S33194000 Fan Blade 5 Plastic Blade (to work on S1200A assembly) $27.26